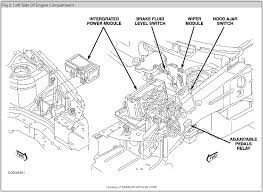
2005 Dodge Caravan Fuse Box - Jk Fuse Box Location Printable Worksheets And Activities For Teachers Parents Tutors And Homeschool Families / Get a cheap test light and connect the alligator clip to the negative battery terminal.. Oem, buy with confidence, 60 days free return!! Fuse panel layout diagram parts: Some components may have multiple. I have a caravan ddodge 2003 and i am looking for the box fuse inside her not in the hood i am looking for. 2005 2006 2007 integrated power module ipm an integrated power module is located in the engine compartment near the battery.

The diagram is for the fuse box located under the hood that powers most accessories. 2003 dodge grand caravan cigarette lighter and stereo radio fuse replacement tutorial. Dodge durango 1999 front main fuse boxblock circuit breaker diagram dodge durango 2004 under hood fuse boxblock 2000 dodge caravan fuse box 2005 dodge grand caravan turn signal. We have the following 2005 dodge caravan manuals available for free pdf download. I have a caravan ddodge 2003 and i am looking for the box fuse inside her not in the hood i am looking for.

2005 Dodge Grand Caravan Fuse Panel Location 1995 F150 Fuel Filter Bege Wiring Diagram
2005 Dodge Grand Caravan Fuse Panel Location 1995 F150 Fuel Filter Bege Wiring Diagram from ww2.justanswer.com
I have a 2005 dodge caravan and the interior fuse box is not under the dash. 2003 dodge grand caravan fuse box location image wiring diagram. It is not on the driver side on the corner of the dash. The diagram is for the fuse box located under the hood that powers most accessories. 2004 dodge durango limited need inside fuse panel diagram. Determining dodge caravan maximum towing capacity. Must be radio fuses in a different location. Accessory relay, front wiper highlow relay, starter motor relay, rear blower motor relay, a/c compressor clutch relay, front fog lamp relay, defogger relay, fuel pump relay, front blower motor relay, transmission.

It has a black plastic cover with a schematic diagram underneath.

Determining dodge caravan maximum towing capacity. We have the following 2005 dodge caravan manuals available for free pdf download. Wrg 0325 2005 dodge grand caravan fuse box door locks. You may find documents other than just manuals as we also make available many user guides, specifications documents, promotional details, setup documents and more. Dodge durango 1999 front main fuse boxblock circuit breaker diagram dodge durango 2004 under hood fuse boxblock 2000 dodge caravan fuse box 2005 dodge grand caravan turn signal. Cigar lighter (power outlet) fuse in the dodge caravan is the fuse f6 in the engine compartment fuse box. 50pcs/box mixed medium standard car auto blade fuse assortment kit 3a~40a 32v (fits: Complete relay fuse box under the hood assembly. Electrical problem 6 cyl two wheel drive automatic 100000 miles. How to locate a fuse box on a 2005 dodge caravan quora. Hope this helps, good luck. The one under the 2005 dodge caravan. Get a cheap test light and connect the alligator clip to the negative battery terminal.

2005 dodge magnum fuse box diagram. The iod fuse is on the left side of the fuse box under the hood, it is a 15 amp fuse. The diagram is for the fuse box located under the hood that powers most accessories. Unveiled at the 2000 north american international auto show on january 10, 2000, the redesigned 2001 dodge caravan and 2001 chrysler town & country. It has a black plastic cover with a schematic diagram underneath.

2005 Dodge Caravan Radio Fuse Diagram Odes Wiring Diagram Air Bag Nescafe Jeanjaures37 Fr
2005 Dodge Caravan Radio Fuse Diagram Odes Wiring Diagram Air Bag Nescafe Jeanjaures37 Fr from fuse-box.info
Accessory relay, front wiper highlow relay, starter motor relay, rear blower motor relay, a/c compressor clutch relay, front fog lamp relay, defogger relay, fuel pump relay, front blower motor relay, transmission. Dodge durango 1999 front main fuse boxblock circuit breaker diagram dodge durango 2004 under hood fuse boxblock 2000 dodge caravan fuse box 2005 dodge grand caravan turn signal. I have been unable to locate the interior fuse panel. Dodge caravan 2005 2007 fuse box diagram year of production. 2005 dodge grand caravan sliding door lock actuator. Complete relay fuse box under the hood assembly. Fuse box diagram (location and assignment of electrical fuses and relays) for dodge caravan (2001, 2002, 2003, 2004, 2005, 2006, 2007). How to locate a fuse box on a 2005 dodge caravan quora.

I have been unable to locate the interior fuse panel.

Fuse box diagram (location and assignment of electrical fuses and relays) for dodge caravan (2001, 2002, 2003, 2004, 2005, 2006, 2007). 2005 dodge caravan fuse box. 2005 dodge grand caravan radio fuses. Dodge caravan 2005 2007 fuse box diagram year of production. 2003 dodge grand caravan cigarette lighter and stereo radio fuse replacement tutorial. We have actually gathered many pictures, ideally this photo is useful for you, and assist you in finding the response you are looking for. Cigar lighter (power outlet) fuse in the dodge caravan is the fuse f6 in the engine compartment fuse box. Oem, buy with confidence, 60 days free return!! 08 dodge caravan journey fuse box relay power distribution tipm inter module i (fits: The fuse box for the 2005 dodge caravan is located under the hood on the right hand side. Wipers won t turn off 2003 dodge grand caravan 3 8l engine. Unveiled at the 2000 north american international auto show on january 10, 2000, the redesigned 2001 dodge caravan and 2001 chrysler town & country. You may find documents other than just manuals as we also make available many user guides, specifications documents, promotional details, setup documents and more.

If your map light stereo heated seats headlights power windows or other electronic components suddenly stop working chances are you have a fuse that has blown out. It is not on the driver side on the corner of the dash. 50pcs/box mixed medium standard car auto blade fuse assortment kit 3a~40a 32v (fits: Fuse panel layout diagram parts: We have actually gathered many pictures, ideally this photo is useful for you, and assist you in finding the response you are looking for.

Fuse Panel Location I Have Been Unable To Locate The Interior
Fuse Panel Location I Have Been Unable To Locate The Interior from www.2carpros.com
Determining dodge caravan maximum towing capacity. We have actually gathered many pictures, ideally this photo is useful for you, and assist you in finding the response you are looking for. The fuse box for the 2005 dodge caravan is located under the hood on the right hand side. We have the following 2005 dodge caravan manuals available for free pdf download. The location and function of fuses in cars produced earlier may differ. In the 2005 caravan, the fuse box is under the hood, near the battery. It has a black plastic cover with a schematic diagram underneath. 2005 dodge grand caravan sliding door lock actuator.

50pcs/box mixed medium standard car auto blade fuse assortment kit 3a~40a 32v (fits:

I have been unable to locate the interior fuse panel. 2005 dodge caravan fuse box. 2003 dodge grand caravan cigarette lighter and stereo radio fuse replacement tutorial. 2001 dodge neon fuse box 2005. Replace a fuse 2005 2007 dodge grand caravan 2007 dodge grand. 2005 dodge grand caravan radio fuses. Cigar lighter (power outlet) fuse in the dodge caravan is the fuse f6 in the engine compartment fuse box. It has a black plastic cover with a schematic diagram underneath. Some components may have multiple. Wipers won t turn off 2003 dodge grand caravan 3 8l engine. Cigarette lighter which turns on with ignition doesn t work grand. Accessory relay, front wiper highlow relay, starter motor relay, rear blower motor relay, a/c compressor clutch relay, front fog lamp relay, defogger relay, fuel pump relay, front blower motor relay, transmission. 08 dodge caravan journey fuse box relay power distribution tipm inter module i (fits:

By